De GPA-30 antenne

 
  De GPA-30 is een antenne voor de HF banden,
dit type is specifiek voor de 10 - 15 - 20 meter amateur band.
 
 

Enige specificaties van deze antenne zijn:

Op de antenneklem is GEEN ohmse weerstandsmeting mogelijk.

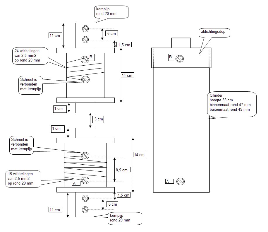
Deze antenne werkt volgens het "open dipool" principe. 

De mantel van de coax is via de antenneplug verbonden met de antennemast en de radialen.

De kern van de coaxkabel is verbonden met de antennepijp (de straler).

Van het "hete" eind van de antenneplug tot aan de top van de antenne pijp wordt een zeer lage ohmse weerstand gemeten.

 

 
       
 

Materiaal specificatie voor de GPA - 30

 

 
     
  Aluminium pijp met een wanddikte van 2 mm.
De radialen zijn van geplastificeerd staaldraad, samen geklemd in een kabelschoen aan de antennemastklem.
   
  De radialen zijn 5,2 - 3,6 en 2,6 meter lang    
  Gewicht van de totale antenne is 2,1 kg    
       

(c) ACL webdesign 2010